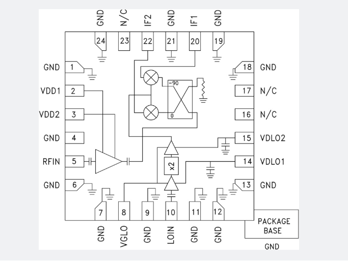
HMC1065LP4E

 Part Number
1127-1671-ND
Manufacturer
Manufacturer Product Number
HMC1065LP4E
Description
IC MMIC IQ DOWNCONV 24SMD
Manufacturer Standard Lead Time
10 Weeks

product detail

Category
Manufacturer
Analog Devices Inc.
Series
Packaging
Strip
Part Status
Active
Function
Downconverter
Frequency
27GHz ~ 34GHz
RF Type
Secondary Attributes
Mounting Type
Surface Mount
Package / Case
24-VFQFN Exposed Pad
Supplier Device Package
24-QFN (4×4)
Base Product Number

Related Products

We will provide our partners with the best service, contact us now.

MANAGER

Mio Zhang

Rachel

E-MAIL

sales1@iccpower.com

sales2@iccpower.com

TEL

0755-23997034

15338756980