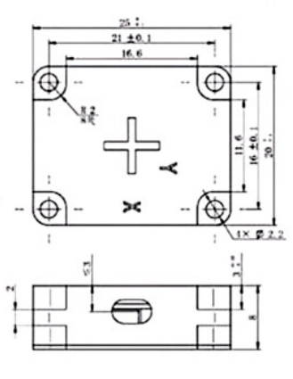
CL112B inertial measurement unit
The inertial measurement unit is designed to be compact in size,and has built-in high-precision temperature compensation and orthogonal compensation algorithms.Applicable to various of control systems and navigation systems